Сообщение добавлено 1.11.2004, 13:08
У меня уже 30 тыс.км. откаталась всё ОК ,но хочется узнать у кого ещё стоит она.
С мая 2013 года наш портал расширил тематические разделы форума по обмену опытом: добавлены подфорумы Американцы, Корейцы, Немцы, Французы, Японцы, в связи с увеличением автопарков наших посетителей.
Помимо изменения стиля, наш Чат, Почта, Развлекательные и фото/видео разделы, Литература стали встроенными и не трубеют отдельной регистрации. Кроме этого, есть и другие полезные и приятные новшевства с которыми Вы все можете ознакомиться при посещении портала.
С вопросами и предложениями можете обращаться к администрации в специальном разделе форума или через форму обратной связи.
Автор темы 2106_Neprostoy, 1.11.2004, 13:08
Сообщение добавлено 1.11.2004, 13:08
Сообщение добавлено 12.10.2012, 10:05
2106_Neprostoy
Кто нить из присутствующих пользует МПСЗ !!??
1.11.2004, 13:08
Twix
Aleks899, +1
А по январям плиз в другую тему ;)...
6.12.2009, 16:20
х123ас
Нормально и трамблёр настраивается, а главное что...
6.12.2009, 17:11
Twix
х123ас, я кста настроил, теперь поддержка спасает ...
6.12.2009, 17:20
х123ас
Не забывай про объём...
Да, рес сюда не входит, ...
6.12.2009, 17:36
Twix
х123ас, не, лучше точно не поехала бы ИМХО. Сток ф...
6.12.2009, 17:41
Aleks899
Twix,Да,веберы поставиш,будет гораздо веселее чем ...
6.12.2009, 18:27
х123ас
Да просто спросил человек на прошлой странице, чт...
6.12.2009, 19:13
M@RIO
Вай)) Не думал что такая война карб vs. инж будет....
6.12.2009, 19:32
Aleks899
Вай)) Не думал что такая война карб vs. инж будет...
6.12.2009, 23:32
Sector
Зачем колхозить автоподсос на наши карбы?!
+...
7.12.2009, 12:34
Miraj23
+1есть готовое решение в виде солекса 210**-11070...
28.12.2009, 12:48
Twix
M@RIO, это не война :) Бывали и намного более бурн...
6.12.2009, 19:58
Shoore
В общем, позанимался я впритык зажиганием, результ...
30.1.2010, 5:55
Twix
Shoore, ацкие углы :)
Я когда настраивал, всё тож...
30.1.2010, 12:02
Shoore
В наборе, на самом, деле целых 16 вариантов со все...
30.1.2010, 12:05
Twix
Shoore, на широких валах не слышно зачастую, так ч...
30.1.2010, 12:09
Shoore
Где-то ты прав, но я слушаю всё время. Пару недель...
30.1.2010, 12:12
ASAMI
Люди я все читаю, читаю, а может у кого фотки есть...
31.3.2010, 11:53
Vladislav64
Люди я все читаю, читаю, а может у кого фотки ест...
31.3.2010, 14:35
Bobby®©
знакомые всё лица... Не обрисуете план-переход с М...
5.5.2010, 7:26
Shoore
О, а МПСЗ при чём? :be:
В принципе, как-то так, н...
5.5.2010, 19:05
Tuman053
Призадумался тут над МПСЗ... Сколько будет стоить ...
16.5.2010, 20:55
Shoore
Tuman053, вариантов никогда особо не было по блока...
16.5.2010, 21:07
Tuman053
Shoore, а первый блок новый уже не купишь? Или вто...
16.5.2010, 21:11
Twix
Tuman053, второй сразу со встроенным 2х канальным ...
16.5.2010, 21:15
Shoore
первый уже не купишь:( Второй со встроенным коммут...
16.5.2010, 21:16
Twix
Shoore, х.з., в прайсе есть и 1й блок! МПСЗ-1 ...
16.5.2010, 21:20
Shoore
Twix, недавно кто-то спрашивал, сказали нет давно ...
16.5.2010, 21:22
xsav
Shoore, выходит МПСЗ-2 будет работать на трамблере...
16.5.2010, 21:31
Shoore
Именно так!
В общем-то это и раньше было досту...
16.5.2010, 21:35
Tuman053
Shoore, тоесть сейчас можно купить МПСЗ-2 и ДАД и ...
16.5.2010, 21:47
Twix
Tuman053, да, можно комп и не брать......
16.5.2010, 21:53
Shoore
Tuman053, правильно, только таая возможность всегд...
16.5.2010, 21:55
Tuman053
Twix, Shoore, это хорошо, что без БК можно.. Минус...
16.5.2010, 21:59
xsav
Shoore, а через БК углы править можно?...
16.5.2010, 22:18
Twix
xsav, нет, там только есть октан корректор.
С помо...
16.5.2010, 22:24
Tuman053
Значит он и правда не нужен.. Хотя на первых порах...
16.5.2010, 22:33
Twix
Tuman053, да покатаешься с ноутом первое время, чт...
16.5.2010, 22:37
Shoore
Просто бук не даёт такой наглядности, как БК. Всё ...
16.5.2010, 22:40
KROSSmeN
Кто-нибудь пробовал использовать для зажигания моз...
26.5.2010, 15:34
Sergrey
Кто-нибудь пробовал использовать для зажигания мо...
26.5.2010, 20:55
Sector
Кто-нибудь пробовал использовать для зажигания мо...
26.5.2010, 23:00
дима44
кто-нибудь пользует мпсз maya? что лучше mpsz-zh и...
20.12.2010, 18:15
Twix
дима44, насчёт maya не слышал ничего. По МПСЗ zh м...
20.12.2010, 18:23
Shoore
Судя по форуму, у МПСЗ-2 какие-то проблемы да и с ...
20.12.2010, 18:45
дима44
Twix, я в курсе, меня это и привлекает и блок как-...
20.12.2010, 18:52
дима44
так maya кто-нибудь пользовал? может ответить +и- ...
24.12.2010, 15:23
DenisVak
Вот ещё ссылка на форум где строют МПСЗ...я нечто...
24.12.2010, 16:32
Albertish
Привет всем! Скоро MAYA будет до собранно и ус...
24.12.2010, 20:14
дима44
можеш обьяснить чем отличаетса, maya от mpsz-zh, п...
24.12.2010, 20:55
Albertish
Так просто сравнивать затрудняюсь, просто у МПСЗ М...
24.12.2010, 23:46
х123ас
ну во-первых и в простой мпсз можно хоть 20 проши...
25.12.2010, 0:24
Pugnator
Лончконтроль на основе отсечки пол зажиганию? Убий...
25.12.2010, 0:53
Олег :)
Пользуюсь mpsz-zh уже более года. Установлен вариа...
9.1.2011, 17:38
FantomF4
Пользуюсь МПСЗ с катушкой 2111 почти год, впечатле...
9.1.2011, 20:36
FantomF4
Пользуюсь МПСЗ с катушкой 2111 почти год, впечатл...
12.1.2011, 19:26
Shoore
оставить поправку как раньше было?
В смысле, а ка...
12.1.2011, 19:35
xsav
FantomF4, попробуй повысить обороты ХХ...
12.1.2011, 21:42
FantomF4
Может кто возмет из форумчан комплект МПСЗ, а то б...
13.11.2011, 18:25
Dolfinchik
Может кто возмет из форумчан комплект МПСЗ, а то ...
15.11.2011, 19:50
1861cc
Может кто возмет из форумчан комплект МПСЗ, а то ...
15.11.2011, 21:46
vovan900
если это МПСЗ2 то следующий на очнреди)))...
16.11.2011, 10:03
вадим29
купил себе МПСЗ с ДПКВ лежит дома в коробочке ждет...
16.11.2011, 21:57
Den-SS
Кстати, хоть и с опозданием, Maya и MPSZ-ZH авбсол...
18.11.2011, 19:13
Bobby®©
У меня стоит с января 2010, как-то сопротивление в...
29.2.2012, 8:38
Shoore
сайт сейчас не работает
Всё работает в штатном ре...
29.2.2012, 9:53
Agassy
Коллеги! вот и журнал Радио, про нас не забыва...
29.2.2012, 10:29
Tuman053
Мужики, кто на Эстонце 2, скиньте свои кривые пожа...
22.5.2012, 12:50
holygun
Мужики, кто на Эстонце 2, скиньте свои кривые пож...
22.5.2012, 18:06
lance
Чета листал тырнет и наткнулся на вот ЭТОТ сайтик....
10.10.2012, 9:07
Vladislav64
lance, я прикинул по деталям(цены саратовские, роз...
10.10.2012, 9:16
Agassy
lance, я прикинул по деталям.... набор сделай сам...
10.10.2012, 9:29
lance
не не вы непоняли меня...
Дело в том, что на офф с...
10.10.2012, 23:56
Vityok
Vladislav64, а по какому принципу эта хуйня работа...
12.10.2012, 10:06
Vladislav64
[b]Vladislav64, а по какому принципу эта *цензура...
12.10.2012, 10:20
hamsta88
Мб кому надо на опыты... мпсз штатная с 08 финки.....
12.10.2012, 10:53
lance
Мб кому надо на опыты... мпсз штатная с 08 финки....
12.10.2012, 11:25
Twix
нет конечно. Это штатная система зажигания с 2108
...
12.10.2012, 12:16
Shoore
Там даже два датчика. Определённую ценность может ...
12.10.2012, 18:43
SergejGos
Езжу на secu-3 ( открытый проэкт с открытым кодом ...
13.10.2012, 18:40
lance
Езжу на secu-3 ( открытый проэкт с открытым кодом...
13.10.2012, 21:38
Pugnator
Опенсорс хорош с одной стороны, но с другой - очен...
13.10.2012, 19:21
Vityok
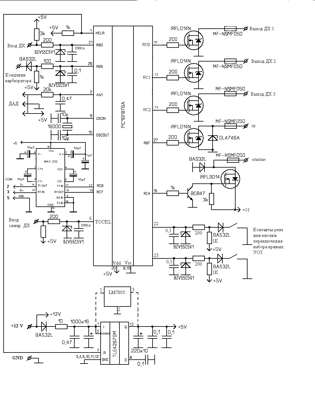
Немного про штатную Зубильную МПСЗ с подробностями...
28.9.2016, 10:22
died moroz
Есть желание переделать систему зажигания под МПСЗ...
17.3.2017, 12:15
Vityok
Есть желание переделать систему зажигания под МПС...
9.4.2023, 9:30
Starik221
смотрел их в свое время, вроде не чё, но оставлять...
17.3.2017, 13:29
died moroz
смотрел их в свое время, вроде не чё, но оставлят...
17.3.2017, 14:43
Starik221
died moroz, да чё я..... тут есть люди и более под...
17.3.2017, 15:14
died moroz
died moroz, да чё я..... тут есть люди и более по...
17.3.2017, 15:31
Sector
.......карб. отзывчивость у него лучше на газ
Эт...
17.3.2017, 23:32
xxOZ
это факт. Механический привод(читай как прямой) вс...
18.3.2017, 14:31
Sector
это факт. Механический привод(читай как прямой) в...
19.3.2017, 2:57|
|