Сообщение добавлено 4.12.2010, 22:47
Простая диагностика на ноутбуке у любого столба , Что и как вообще подскажите и фото если не сложено
Автор темы S@NA_59, 4.12.2010, 22:47
#2 Agassy
Сообщение добавлено 28.6.2012, 17:18
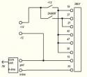
схемка отсюда
пс. смысл в том, что еще задействованы 42 и 50 конт.
псс по распиновке блока, посмотреть бы еще, о чем они
Сообщение отредактировал Agassy - 28.6.2012, 17:32
---
Difficult we made yesterday impossible we are making now!
S@NA_59
Простая диагностика на ноутбуке у любого столба
4.12.2010, 22:47
S@NA_59
habis, по твоей просьбе держи!
http://cs410627...
18.6.2012, 16:22
aka rus
S@NA_59, напоминает дешевый китайский тамагочи)...
19.6.2012, 4:35
S@NA_59
то что китайский это да)))) а вот игра заключается...
19.6.2012, 14:54
AJR
После попытки прошить блок январь отказывается раб...
27.6.2012, 18:38
Agassy
может быть поможет?
27.6.2012, 18:47
AJR
может быть поможет?
Родной бош работает. Проверя...
27.6.2012, 19:02
S@NA_59
а чо ты делал?
27.6.2012, 20:30
AJR
а чо ты делал?
подключил эбу по схеме. подключил...
27.6.2012, 20:37
S@NA_59
а как подключал и каким адаптером?
вот софт боле...
27.6.2012, 20:58
AJR
а как подключал и каким адаптером?
вот софт бол...
27.6.2012, 21:04
aka rus
AJR, ты флеш очищал перед прошивкой? или шил повер...
28.6.2012, 4:36
AJR
AJR, ты флеш очищал перед прошивкой? или шил пове...
28.6.2012, 7:03
aka rus
AJR, включай\выключай питание до тех пор пока...
28.6.2012, 8:04
AJR
AJR, включай\выключай питание до тех пор пок...
28.6.2012, 10:03
AJR
В вобщем так. Пошел я к диагносту и перепрошил сто...
28.6.2012, 15:16
Agassy
пойдем по шагам.
для начала, предлагаю, убедиться:...
28.6.2012, 15:31
AJR
пойдем по шагам.
для начала, предлагаю, убедиться...
28.6.2012, 15:39
Agassy
в качестве источника +12в, что используется?
есть ...
28.6.2012, 15:56
AJR
в качестве источника +12в, что используется?
есть...
28.6.2012, 16:25
AJR
Аккум. вроде живой. Никак мультиметр не могу найт...
28.6.2012, 16:52
Agassy
кажется, что вопрос с некачественным питанием, мо...
28.6.2012, 16:55
AJR
кажется, что вопрос с некачественным питанием, мо...
28.6.2012, 17:04
Agassy
вот есть тайна великая ..которую и пытаемся осили...
28.6.2012, 17:07
AJR
Agassy, распиновка http://chipvaz.ucoz.ru/index/eh...
28.6.2012, 17:27
Agassy
понятно..выше приведенная, мною, схемка претендуе...
28.6.2012, 17:42
AJR
пс. диагност прошивал блок, без присутствия зак...
28.6.2012, 18:01
aka rus
AJR,
47, 27, 18 на плюс все в кучу, тудаже + от к...
29.6.2012, 5:02
AJR
какие контакты надо пюдключать чтоб диагностироват...
29.6.2012, 6:35
habis
Питание на блок и на контакт разрешения программир...
29.6.2012, 7:34
AJR
вот что только что заметил. если подключать на сто...
29.6.2012, 7:41
habis
пробовал, эффекта ноль
Что за адаптер у тебя?)
Ч...
29.6.2012, 8:22
AJR
Что за адаптер у тебя?)
Чудес не бывает, у других...
29.6.2012, 8:43
habis
адаптер самопальный. Диагностирует отлично. Конне...
29.6.2012, 9:05
AJR
А этот адаптер уже шил какие нить блоки?)
Какая с...
29.6.2012, 9:13
habis
Пока не шил. Сецчас задача попрововать диагностик...
29.6.2012, 9:24
AJR
Кинь фото адаптера)
Для диагностики нужно подать ...
29.6.2012, 9:30
habis
адаптер по схеме http://chiptuner.ru/image/vsmkli...
29.6.2012, 10:39
AJR
ну остается только смотреть подключение на столе,...
29.6.2012, 10:47
AJR
вообщем ситуация такая. Если подключить блок к авт...
29.6.2012, 14:16
AJR
вообщем ситуация такая. Если подключить блок к ав...
29.6.2012, 14:36
AJR
вообщем ситуация такая. Если подключить блок к ав...
25.10.2012, 11:48
ceruy1
А где можно научится прошивать тли чиповать самому...
5.11.2012, 16:45
Sector
Только что прозвонил колодку К-лайна и разему эбу...
12.11.2012, 14:27
habis
AJR, а другой адаптер не пробовал?
И если через ф...
29.6.2012, 15:06
AJR
AJR, а другой адаптер не пробовал?
И если через ...
29.6.2012, 15:12
habis
Думаю что при использовании другого адаптера все б...
29.6.2012, 15:14
AJR
В чем разница, или причина
Еще заметил странность...
29.6.2012, 15:21
habis
В чем разница, или причина
Еще заметил странность...
29.6.2012, 15:32
AJR
Сам его поял?
да
29.6.2012, 15:39
S@NA_59
:D
30.6.2012, 10:51
habis
AJR, стандартная фишка от к-линии прямая? на ней ...
30.6.2012, 14:47
AJR
S@NA_59, Это ты надомной угараешь? :)
habis, Проз...
30.6.2012, 20:50
more
Приехал Ромокабель. Подключился без проблем. Решаю...
2.7.2012, 13:54
habis
Приехал Ромокабель. Подключился без проблем. Реша...
3.7.2012, 7:56
more
habis, Хз. Последняя наверное :)...
3.7.2012, 8:09
habis
more, логично :D
3.7.2012, 8:12
more
habis, Прост его под рукой нет чтоб посмотреть...
3.7.2012, 8:48
S@NA_59
http://avtokoni.ru/media/catalog/product/cache/1/i...
3.7.2012, 16:00
habis
S@NA_59, нет)
3.7.2012, 16:43
ceruy1
Что может быть! После прогазовки выходит плохо...
8.7.2012, 13:04
habis
Что может быть! После прогазовки выходит плох...
8.7.2012, 13:18
ceruy1
Я думаю это в Настройка эбу под мотор..
А так, ес...
8.7.2012, 13:20

habis
Менял на запасной! Эфект тот же!
Запасно...
8.7.2012, 13:25
Agassy
...А так, если мозг и прошивку не трогали, стоит ...
11.7.2012, 9:53
AJR
Agassy, сейчас нет возможности проверять. через 2 ...
11.7.2012, 10:36
Agassy
Agassy, .. нет возможности проверять. через 2 нед...
11.7.2012, 10:47
AJR
отлично! отпишись, плз, по результатам, ок?
...
11.7.2012, 10:56
habis
AJR, ты же уже отрезал провод к-лайн перед блоком...
11.7.2012, 11:02
AJR
AJR, ты же уже отрезал провод к-лайн перед блоко...
11.7.2012, 11:29
Agassy
...Я еще надумал взять ком-юсб переходник. ...
по...
11.7.2012, 11:39
AJR
подожди пока, не торопись :)
как показывает практ...
11.7.2012, 11:49
habis
AJR, Тогда можно померять с фишки на фишку :ab:...
11.7.2012, 12:05
ceruy1
Стоит ли самому диагностировать мозги? У меня янва...
12.7.2012, 9:01
sed0ff
Стоит ли самому диагностировать мозги? У меня янв...
12.7.2012, 9:10
habis
Стоит ли самому диагностировать мозги?
Диагност...
12.7.2012, 9:11
ceruy1
Пробовал диагностировать но ничего не получилось...
31.7.2012, 22:59
S@NA_59
Пробовал диагностировать но ничего не получилось...
1.8.2012, 5:37
Agassy
... Пишет что не удалось соединится с ЕБУ
Вот смо...
1.8.2012, 10:41
habis
Дело не в проге, она ровно работает.
Вот эти наст...
1.8.2012, 11:57
ceruy1
Дело не в проге, она ровно работает.
Вот эти нас...
1.8.2012, 12:32
Agassy
Дело не в проге, она ровно работает.
Вот эти нас...
1.8.2012, 12:50
habis
Выстави на сом1
1.8.2012, 12:44
ceruy1
Просто Ноут видит его как СОМ-6...
1.8.2012, 12:53
Agassy
Просто Ноут видит его как СОМ-6
в проге, что сто...
1.8.2012, 12:55
ceruy1
в проге, что стоит?
давай две картинки :) настрой...
1.8.2012, 13:04
habis
Agassy там где com2 это я заскринил...
1.8.2012, 13:04
S@NA_59
P 1621 ошибка ОЗУ контроллера, что пропадания ...
2.8.2012, 10:24
ceruy1
habis, Подскажи что мне делать???...
2.8.2012, 11:17
Agassy
habis, Подскажи что мне делать???
давай фотки,...
2.8.2012, 11:20
ceruy1
Я выложил всй что у меня было...
2.8.2012, 11:23
Agassy
тогда подводим итог:
- прога
COM2 скорость 1040...
2.8.2012, 11:28
habis
тогда подводим итог:
- прога
COM2 скорость 104...
2.8.2012, 16:22
Agassy
Нет. Фото COM2 скорость 10400, сделано и выложен...
2.8.2012, 16:46
S@NA_59
ceruy1, чиптюнер.ру
5.11.2012, 19:00
S@NA_59
да да! вот глянь сам сталкивался http://www.au...
12.11.2012, 14:40
AJR
трабл решился на днях. вспомнил, что при пайке ада...
12.11.2012, 18:25
habis
трабл решился на днях. вспомнил, что при пайке ад...
12.11.2012, 19:14
AJR
Помоему с этого и начали :ab: Что все же надо а...
12.11.2012, 19:15
S@NA_59
AJR, :) все сейчас чипун уже ты?...
13.11.2012, 0:29|
|
1 чел. читают эту тему (гостей: 1, скрытых пользователей: 0)



